ZFX-H锥形锁风阀
锥形锁风阀广泛适用于建材、冶金、矿山、煤炭、化工、热电等行业,用于物料输送的自动调节及控制,防止野风的进入,确保系统正常运行。
结构特点
采用优质钢材焊接而成,运行灵活、密闭性好、性能可靠,具有自动锁风落料的功效。特别适用于无粘度的固体粉料,细小颗粒料,晶体料的输送与调节。
性能参数
|
适用介质 |
适用温度 |
卸灰能力 |
|
粉尘物料 |
≤350℃ |
15~65t/h |
工作原理
锥形锁风阀利用力矩平衡的方法实现卸灰。当作用于翻板上的物料产生的力矩大于重锤摇杆产生的力矩时,阀板打开向下卸灰。一旦积灰卸去后,重锤与摇杆产生的力矩使阀板迅速关闭,实现锁气。落料的频率及卸灰量依据工况需要来调整重锤位置。
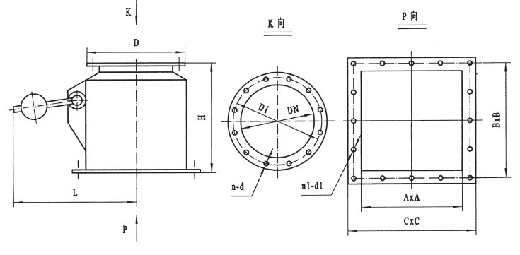
◎ZFX-H外形图

ZFX-H外形连接尺寸
|
DN |
D |
D1 |
H |
A×A |
B×B |
C×C |
n-d |
n1-d1 |
L |
|
200 |
280 |
245 |
400 |
300×300 |
355×355 |
400×400 |
8-Φ10 |
12-Φ10 |
500 |
|
250 |
350 |
305 |
450 |
350×350 |
405×405 |
450×450 |
12-Φ10 |
12-Φ10 |
550 |
|
300 |
400 |
355 |
500 |
400×400 |
455×455 |
500×500 |
12-Φ10 |
16-Φ10 |
600 |
|
350 |
450 |
405 |
550 |
450×450 |
505×505 |
550×550 |
12-Φ12 |
16-Φ12 |
650 |
|
400 |
500 |
455 |
600 |
500×500 |
555×555 |
600×600 |
16-Φ12 |
20-Φ12 |
815 |
|
500 |
600 |
555 |
700 |
600×600 |
655×655 |
700×700 |
20-Φ14 |
20-Φ14 |
870 |
使用说明
•安装时请注意阀体上标注介质流向,两法兰连接时必需加密封垫片,然后均匀锁紧螺栓。
•设备在运行时,请定期给传动部分加润滑油。
•若长期存放应使设备处于关闭状态,各传动部位加润滑油,不允许露天存放或堆置。
订货须知
•选用订货时,请参照产品样本注明产品规格、型号及技术参数(使用温度、设备工况、介质性质等)。
•选用订货时,若未注明客户选用电装代号的按我公司基本型配置,其基本型为普通型装置,不带任何有关特殊要求及相关配件。
•表格中未列规格、用于特殊介质或其它特殊要求,请与我公司经销部、技术部联系,可为您另行设计、制造。


