电动百叶阀和蝶阀的区别,别错过
什么是电动百叶阀?

电动百叶阀与是动执行器配套使用,接受调节或变送的单元信号,自动地控制阀门开度而完成调节任务的一种设备。电动百叶阀一般分为:电动圆形百叶阀、电动倾斜百叶阀、百叶式电动气流调节阀。
什么是蝶阀?
蝶阀是根据旋转阀杆同时带动碟版转动往复回转90度左右来开启、关闭和调节流体通道的一种阀门。蝶阀一般安装于管道上,用来控制管道内介质流通。

电动百叶阀和手动蝶阀之间有哪些区别?
蝶阀有哪些结构特点?
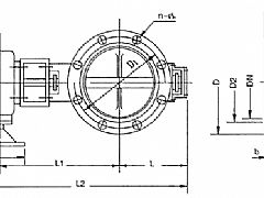
蝶阀的结构组成部分有传动装置、阀体、阀板、阀杆、阀座、密封装置、操作机构及附属部件等。在蝶阀阀体圆柱形通道内,圆盘形蝶板绕着轴线旋转,主要是旋转碟板90°来做流量控制,当碟板到达90°时阀门处于全开状态,同时可以改变碟板的角度来调节介质流量,一般安装于管道的直径方向。
蝶阀的特点是结构简单,体积小,重量轻,材料耗用省,安装尺寸小,启闭力矩小,操作简便迅速,并且还可同时具有良好的流量凋节功能和关闭密封特性。其中,表现明显的是手动蝶阀。
手动蝶阀有哪些特点应用呢?
蝶阀的启闭件是一个圆盘形的蝶板,在阀体内围绕阀杆旋转,只需旋转90°即可将蝶阀完全开启,当蝶阀完全开启时,只有蝶板的厚度是管道内介质的流动阻力,流阻也很小。
手动蝶阀分为单向密封和双向密封,双向密封的手动蝶阀没有安装方向的问题,因此在阀门上往往没有箭头标示;单向密封的手动蝶阀安装方向是有要求的,阀体上的箭头是压力方向,也就是说箭头的方向表示有利于密封的方向。
手动碟阀结构简单、体积小、重量轻。而且只需旋转90°即可快速启闭,操作简单,同时该阀门具有良好的流体控制特性。手动蝶阀不仅在石油、煤气、化工、水处理等一般工业上得到广泛应用,而且还应用于热电站的冷却水系统。
电动百叶阀有哪些结构特点

一般,电动调节百叶阀是与电动执行机构配套使用。电动圆形百叶阀具有启闭力矩小、动作灵敏、流阻小、结构简单、启闭灵活、口径大、重量轻等优点。
电动百叶阀应用在哪些领域?
电动圆形百叶阀广泛应用于冶金、建材、电力、石化、轻工等工业部门,电动百叶阀能对粉尘、气体、进行处电动或手动调节和切断。
生产厂家奥普机械怎样?
南通奥普机械工程有限公司专用生产销售堆取料机、散装机、手动蝶阀、电动百叶阀等建材机械设备,设备性能可靠、品质优良,设备广泛应用于港口、冶金、煤炭、化工、建材等行业,颇受好评。
想要了解更多关于蝶阀及电动百叶阀的产品资讯,请关注公司网站的详情页面:http://www.m.lgfqm.cn/updf/
什么是电动百叶阀?

电动百叶阀与是动执行器配套使用,接受调节或变送的单元信号,自动地控制阀门开度而完成调节任务的一种设备。电动百叶阀一般分为:电动圆形百叶阀、电动倾斜百叶阀、百叶式电动气流调节阀。
什么是蝶阀?
蝶阀是根据旋转阀杆同时带动碟版转动往复回转90度左右来开启、关闭和调节流体通道的一种阀门。蝶阀一般安装于管道上,用来控制管道内介质流通。

电动百叶阀和手动蝶阀之间有哪些区别?
蝶阀有哪些结构特点?
蝶阀的结构组成部分有传动装置、阀体、阀板、阀杆、阀座、密封装置、操作机构及附属部件等。在蝶阀阀体圆柱形通道内,圆盘形蝶板绕着轴线旋转,主要是旋转碟板90°来做流量控制,当碟板到达90°时阀门处于全开状态,同时可以改变碟板的角度来调节介质流量,一般安装于管道的直径方向。
蝶阀的特点是结构简单,体积小,重量轻,材料耗用省,安装尺寸小,启闭力矩小,操作简便迅速,并且还可同时具有良好的流量凋节功能和关闭密封特性。其中,表现明显的是手动蝶阀。
手动蝶阀有哪些特点应用呢?
蝶阀的启闭件是一个圆盘形的蝶板,在阀体内围绕阀杆旋转,只需旋转90°即可将蝶阀完全开启,当蝶阀完全开启时,只有蝶板的厚度是管道内介质的流动阻力,流阻也很小。
手动蝶阀分为单向密封和双向密封,双向密封的手动蝶阀没有安装方向的问题,因此在阀门上往往没有箭头标示;单向密封的手动蝶阀安装方向是有要求的,阀体上的箭头是压力方向,也就是说箭头的方向表示有利于密封的方向。
手动碟阀结构简单、体积小、重量轻。而且只需旋转90°即可快速启闭,操作简单,同时该阀门具有良好的流体控制特性。手动蝶阀不仅在石油、煤气、化工、水处理等一般工业上得到广泛应用,而且还应用于热电站的冷却水系统。
电动百叶阀有哪些结构特点

一般,电动调节百叶阀是与电动执行机构配套使用。电动圆形百叶阀具有启闭力矩小、动作灵敏、流阻小、结构简单、启闭灵活、口径大、重量轻等优点。
电动百叶阀应用在哪些领域?
电动圆形百叶阀广泛应用于冶金、建材、电力、石化、轻工等工业部门,电动百叶阀能对粉尘、气体、进行处电动或手动调节和切断。
生产厂家奥普机械怎样?
南通奥普机械工程有限公司专用生产销售堆取料机、散装机、手动蝶阀、电动百叶阀等建材机械设备,设备性能可靠、品质优良,设备广泛应用于港口、冶金、煤炭、化工、建材等行业,颇受好评。
想要了解更多关于蝶阀及电动百叶阀的产品资讯,请关注公司网站的详情页面:http://www.m.lgfqm.cn/updf/

S/W TF-Ⅰ系列手动蝶阀
TPO系列手动蝶阀
手动蝶阀,Swb型手动蝶阀
