手动蝶阀,Swb型手动蝶阀
概述
Swb型手动蝶阀是由ZPS型手轮型机构及阀体二大倍件组成,具有结构简单、操作方便、省力、重量轻、泄漏小等优点,Swb型手动蝶阀广泛应用于冶金、石油、化工、电站等工业部门生产过程中的手动调节。
技术参数
|
公称通径DN(mm) |
50 |
80 |
100 |
125 |
150 |
200 |
250 |
300 |
350 |
400 |
|
额定流量 |
85 |
220 |
340 |
350 |
770 |
1100 |
2130 |
3060 |
4160 |
5450 |
|
配用手轮机构型号 |
ZS-1 |
ZS-2 |
||||||||
|
450 |
500 |
600 |
700 |
800 |
900 |
1000 |
|
6900 |
8500 |
12000 |
16600 |
21700 |
34000 |
49600 |
|
ZS-3 |
||||||
|
工作温度(℃) |
常温型-15~250 |
|
阀板 阀体 |
HT200(-15~ |
|
中温型-40~450 |
ZG230-450(-40~ |
|||
|
阀板转角(°) |
90 |
轴 |
2Cr13 |
|
|
公称压力(Mpa) |
0.6 |
填料 |
聚四氟乙烯(-15~ |
|
|
泄漏率 |
≤1.5% |
柔性石墨(-40~ |
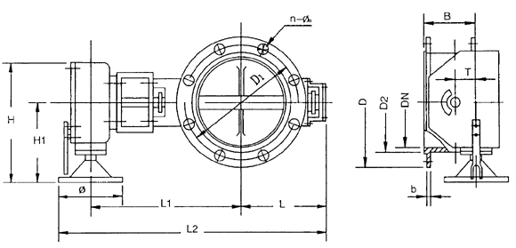
外形及安装尺寸:
外形见图1,外形及安装尺寸见表三。

| DN | D | D1 | D2 | N-Φ。 | H | H1 | L | L1 | L2 | b | B | T | Φ |
| 50 | 110 | 90 | 4-Φ14 | 386 | 2435 | 75 | 349 | 549 | 100 | 75 | 250 | ||
| 80 | 150 | 125 | 4-Φ18 | 90 | 364 | 579 | |||||||
| 100 | 170 | 145 | 100 | 374 | 599 | ||||||||
| 125 | 200 | 175 | 8-Φ18 | 123 | 423 | 671 | 20 | ||||||
| 150 | 260 | 225 | 200 | 138 | 433 | 696 | 200 | ||||||
| 175 | 290 | 255 | 230 | 158 | 448 | 731 | 22 | ||||||
| 200 | 315 | 280 | 255 | 443 | 227 | 168 | 565 | 733 | 85 | 320 | |||
| 250 | 370 | 335 | 310 | 12-Φ18 | 193 | 590 | 783 | ? | |||||
| 300 | 435 | 395 | 362 | 12-Φ23 | 228 | 620 | 848 | ||||||
| 350 | 485 | 445 | 412 | 253 | 645 | 898 | 26 | ||||||
| 400 | 535 | 495 | 642 | 16-Φ23 | 293 | 685 | 978 | 28 | 300 | ||||
| 450 | 590 | 550 | 518 | 320 | 710 | 1030 | |||||||
| 500 | 460 | 600 | 568 | 345 | 735 | 1080 | 30 | ||||||
| 600 | 755 | 705 | 670 | 20-Φ25 | 505 | 315 | 550 | 830 | 1580 | 100 | 400 | ||
| 700 | 860 | 810 | 775 | 24-Φ25 | 600 | 880 | 1680 | 32 | |||||
| 800 | 975 | 920 | 880 | 24-Φ30 | 655 | 930 | 1785 | 34 | 400 | ||||
| 900 | 1075 | 1020 | 980 | 272 | 994 | 1921 | 36 | ||||||
| 1000 | 1175 | 1120 | 1080 | 28-Φ30 | 775 | 1044 | 2019 | ||||||
| 1200 | 1400 | 1340 | 1295 | 32-Φ34 | 595 | 350 | 860 | 1124 | 2130 | 4840 | 120 | 480 | |
| 1400 | 1620 | 1560 | 1510 | 36-Φ34 | 945 | 1204 | 2250 | 44 | |||||
| 1600 | 1820 | 1760 | 1710 | 40-Φ34 | 1030 | 1290 | 2380 | 48 | |||||
| 1800 | 2045 | 1970 | 2110 | 44-Φ41 | 1115 | 1375 | 2495 | 50 | |||||
| 2000 | 2265 | 2180 | 48-Φ48 | 1200 | 1455 | 2620 | 54 |
您可能会对以下产品感兴趣
产品好不好 用我们的业绩证明
奥普核心合作伙伴
企业规模怎么样 用我们的资质说明
生产能力怎么样 用我们的设备和团队表明
新闻动态
- 侧式悬臂堆料机的构造及原理
- 什么是 熟料散装机,有哪三大性能特点
- 什么是 气箱脉冲布袋除尘器,安装注意事项概述
- 桥式刮板取料机的特点及操作注意事项
- 什么是圆盘给料机,有哪些优势特点
- 斗式提升机的六大特点概述
- 操作连续式均化库的四大注意事项
- 移动式堆料机三大优势特点及使用步骤
- 关于网站内容违禁词、极限词失效说明
- 斗式提升机的工作过程分为哪三个阶段
- 电动百叶阀和蝶阀的区别,别错过
- 介绍一下手动蝶阀的特点
- 手动蝶阀具有较好的流量控制特性
- 电动调节蝶阀是工业自动化控制领域中的重要执行单元
- 电液动扇形闸门采用全封闭结构
- 电动调节蝶阀的分类
- 电动调节蝶阀属于电动阀门和电动调节阀中的一个品种
- 平衡阀结构特点跟工作原理


