重锤矩形锁气翻板卸灰阀ZESX-IF(单门) ZESX-IF(双门)

一、 概述
该重锤矩形锁气翻板卸灰阀普遍适用于建材、冶金、石化、电力等行业。作为各类除尘设备的灰斗锁气卸灰装置,及各种磨机、烘干机、料仓、筒库和闭式输送系统的锁气、卸灰装置等。
该重锤矩形锁气翻板卸灰阀采用重锤自动复位机构,物料在重力作用下交替开闭自卸。具有动转平稳、节能、卸灰量大小可调、卸灰锁气可靠之特点,是各种给、卸料工况的理想设备。
二、 技术参数
|
适用介质
|
工作温度
|
卸灰量
|
|
干燥粉尘
|
150℃
|
3-168m3/h
|

|
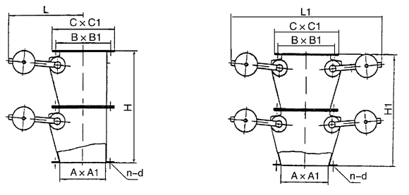
A×A1
|
B×B1
|
C×C1
|
H
|
H1
|
L
|
L1
|
n-d
|
|
150×150
|
200×200
|
240×240
|
460
|
|
420
|
|
8-Φ11
|
|
200×200
|
250×250
|
290×290
|
580
|
|
490
|
|
8-Φ11
|
|
220×220
|
270×270
|
310×310
|
580
|
|
510
|
|
8-Φ11
|
|
250×250
|
300×300
|
340×340
|
580
|
|
580
|
|
8-Φ11
|
|
300×300
|
360×360
|
400×400
|
700
|
560
|
610
|
1220
|
12-Φ13
|
|
320×320
|
380×380
|
420×420
|
700
|
560
|
630
|
1260
|
12-Φ13
|
|
400×400
|
460×460
|
500×500
|
800
|
660
|
750
|
1500
|
16-Φ13
|
|
428×428
|
488×488
|
528×528
|
800
|
660
|
764
|
1528
|
16-Φ13
|
|
450×450
|
510×510
|
550×550
|
800
|
660
|
775
|
1550
|
16-Φ13
|
|
480×480
|
540×540
|
580×580
|
800
|
660
|
790
|
1580
|
16-Φ13
|
|
500×500
|
560×560
|
600×600
|
800
|
760
|
800
|
1600
|
16-Φ13
|
|
600×600
|
670×670
|
720×720
|
800
|
800
|
960
|
1920
|
16-Φ13
|
|
690×480
|
750×750
|
790×580
|
800
|
760
|
790
|
1580
|
20-Φ13
|
|
720×400
|
780×780
|
820×500
|
800
|
760
|
750
|
1500
|
20-Φ13
|
|
800×600
|
870×670
|
920×920
|
800
|
800
|
960
|
1920
|
20-Φ18
|
|
800×800
|
870×870
|
920×720
|
1200
|
1120
|
1060
|
2320
|
24-Φ18
|
|
1000×800
|
1070×870
|
1120×920
|
|
1120
|
|
2320
|
28-Φ28
|
|
1000×1000
|
1080×1080
|
1140×1140
|
|
1300
|
|
2940
|
24-Φ22
|
上一页:[阀门]
下一页:XG系列旋转加料器


